
阻旋式料位开关RBZK-UZXK广泛适用于适用于化工、石油、食品、造纸、医药等领域料位的报警和控制
1.用 途:上、下限测量;
2.叶片转速:5~6转/分;
3.介质密度:≥0.3g/cm3(较大叶片);
4.环境温度:(-30~80)℃;
5.输 出:开关信号;6.接 线 口:M18x1.5 M20x1.5(防爆);
7.接点容量:(AC)220V 3A;
8.耗电功率:<5W。
RBZK-UZXK阻旋式料位开关是采用微电机经减速后,带动检测叶片以5-6转/分的转速旋转的。当被测物料的料位上升使叶片的转动受到阻碍时,检测机构便围绕主轴产生旋转位移。此位移使其中一个微动开关动作发出有料信号,随后另一个微动开关动作,切断电机电源使其停转。只要料位不变此种状态便将一直保持下去。当料位下降检测叶片失去阻挡时,检测机构便依靠弹簧拉力恢复原态。阻旋式料位开关首先一个微动开关动作接通电机电源,使其旋转,随后另一个微动开关动作发出无料信号,只要没有物料阻挡检测叶片的转动,此种状态也将一直保持下去。
WST-UZXK系列阻旋式全密封料位控制器采用摆动式传动系统。电机底座通过弹簧拉住,当系统没有受阻时,电机转动,带动检测叶片,检测物料。检测板受阻时,使主轴受阻而静止,电机继续运行,使电机底座拉动弹簧,压下微动开关,发出有料信号,同时切断电机电源,电机停止工作。当物位下降时检板阻力消失,系统在弹簧的拉力下复位,微动开关恢复原始状态,使电机转动,同时发出无料信号。
一、阻旋式料位开关产品应用:
1.冶金、化工、石油、电力、食品、造纸、煤炭、建材、医药等领域料位的报警和控制;
2.高尘、防爆等特殊环境。
二、阻旋式料位开关产品特性:
1.全新的结构设计,耐锈蚀、无污染、防潮、防尘;
2.机械过载保护装置;
3.不同比重检测叶片;
4.高温型可在≤300℃的物料环境下使用。
三、阻旋式料位开关技术参数:
1.用 途:上、下限测量;
2.叶片转速:5~6转/分;
3.介质密度:≥0.3g/cm3(较大叶片);
4.环境温度:(-30~80)℃;
5.供电电源:AC24V、110V、220V、50/60Hz; DC24V;
6.输 出:开关信号;
7.接 线 口:M18x1.5 M20x1.5(防爆);
8.接点容量:(AC)220V 3A;
9.耗电功率:<5W
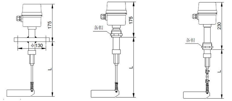
四、产品外形尺寸图:
1.旋转叶片式:
| 尺寸 | ![]() | ||||
| 外形 | ![]() | ![]() | ![]() | ![]() | ![]() |
| 型号 | RBZK-UZXK-1 | RBZK-UZXK-2 | RBZK-UZXK-RBZK-2 | RBZK-UZXK-3 | RBZK-UZXK-R |
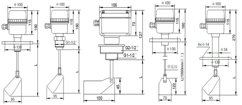
2.摆动叶片式:
| 尺寸 | ![]() | ||
| 外形 | ![]() | ![]() | ![]() |
| 型号 | RBZK-UZXK-M-1 | RBZK-UZXK-M-2 | RBZK-UZXK-M-R |
五、阻旋式料位开关产品选型:
| RBZK-UZXK | 阻旋式料位开关 | |||||
| 叶片形式 | 无 | 旋转叶片式 | ||||
| M | 摆动叶片式 | |||||
| 安装方式 | 1 | 法兰式 | ||||
| 2 | 螺纹式 | |||||
| 安装方式 | 无 | 常温型 | ||||
| R | 高温型 | |||||
| 检测杆长度 | 口口mm | |||||
| 供电方式 | D | DC 24V | ||||
| A | AC 220V | |||||
| 其它要求 | B | 防腐型防爆(Ex BT6) | ||||