
RBZK-100/150B不锈钢膜盒压力表采用膜盒作为测量微小压力的敏感元件,适用于测量有腐蚀性的气体或液体的微压和负压。主要零件采用1icr18Ni9T、Ocr18Ni12Mo2Ti、 sus316不锈钢材料,广泛应用于锅炉通风、气体管道、燃烧装置等及其他类似设备上。
一、结构与测量原理:
不锈钢膜盒压力表由测量系统(包括接头,波纹膜盒等),传动机构(包括拔杆机构,齿轮传动机构),指示部件(包括指针与度盘)和外壳(包括表壳、衬圈和表玻璃)所组成。
不锈钢膜盒压力表的工作原理是基于波纹膜盒在被测介质的压力作用下,其自由端产生相应的弹性变形,再经拔杆一齿轮传动机构的传动并予放大,由固定于齿轮轴上的指针逐将被测值在度盘上指示出来。
二、技术指标:
1.使用环境条件:表垂直安装,工作环境温度-25~55℃;相对湿度不大于80%,并且周围空气中不含有腐蚀仪表的有害气体。
2.温度影响使用温度偏离温度影响使用温度偏离20±5℃时,其温度附加误差不大于0.04%/10。℃
3.测量范围与精确度:
| 型号 | 量程范围(KPa) | 精度等级 | ||
| 正压 | 负压 | 正负压 | ||
| RBZK-100 RBZK-150 | 0~1.6 | -1.6~0 | -0.8~0.8 | 2.5 |
| 0~2.5 | -2.5-0 | -1.2~1.2 | ||
| 0~4 | -4~0 | -2~+2 | ||
| 0~6 | -6~0 | -3~+3 | ||
| 0~10 | -10~0 | -5~+5 | ||
| 0~16 | -16~0 | -8~+8 | ||
| 0~25 | -25~0 | -12~+12 | ||
| 0~40 | -40~0 | -20~+20 | ||
4.导(测)压系统及外壳等主要零件的材质:
| 零件名称 | 材料编号 |
| 接头 | 黄铜Hpb59-1 |
| 膜盒 | 锡青铜QSn6.5-0.1 |
| 齿轮传动机构 | 铜Hpb59-1 |
| 表壳,罩壳 | 冷轧钢板20 |
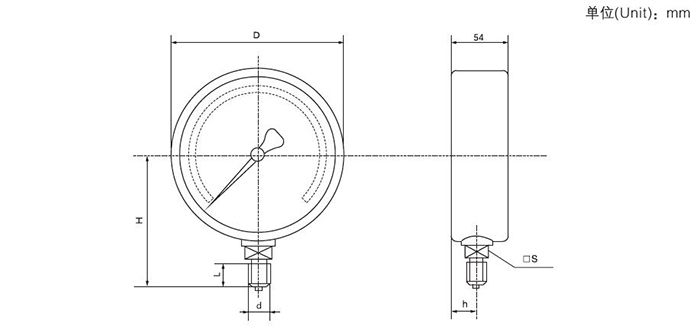
5.膜盒压力表外形尺寸:
| 型 号 | D | H | L | d | h | 口S |
| RBZK-100 | Φ100 | 90 | 20 | M20*1.5 | 17 | 口22 |
| RBZK-150 | Φ150 | 118 | 20 | M20*1.5 | 17 | 口22 |
RBZK-100/150膜盒压力表
RBZK-100/150B不锈钢膜盒压力表
RBZK-100/150膜盒耐震压力表
RBZK-100/150B不锈钢膜盒耐震压力表
RBZKX-100/150膜盒电接点压力表
RBZKX-100/150B不锈钢膜盒电接点压力表